| N | Артикул | Название | Срок отгрузки | Цена | Купить |
|
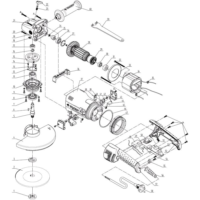
U353-115-001 |
Фланец прижимной внешний M14 U353-115-001 для SAG-180-1800, УШМ-П125-1000 |
|
100 р. |
|
| 1.03 |
U009-629-RS0 |
Подшипник шариковый 629-2Z (26х9х8) U009-629-RS0 |
|
294 р. |
|
| 1.20 |
U009-608-RS0 |
Подшипник шариковый 608-2RS (22х8х7) U009-608-RS0 для пил ЗПС-850 Э, ЗПТ-210-1300-Л |
|
306 р. |
|
| 2-18 |
U009-620-0RS |
Подшипник шариковый 6200-2RS (30x10x9) U009-620-0RS |
|
250 р. |
|
| 3 |
U353-001-420 |
Фланец внутренний D14 Ls17.5 |
|
106 р. |
|
| 3 |
U353-115-006 |
Шпонка сегментная 13x5x4 U353-115-006 для ЗДМ-1200Р, УШМ-180-2005 П |
|
114 р. |
|
| 4 |
U503-211-004 |
Кожух диска |
|
577 р. |
|
| 5 |
U503-181-005 |
Шпиндель D24x84 |
|
418 р. |
|
| 6 |
UM06-001-005 |
Кольцо разжимное D13 UM06-001-005 для ЗДМ-1200Р, ЗУШМ-230-2100П |
|
92 р. |
|
| 7 |
UM01-000-037 |
Винт M5x19 |
|
92 р. |
|
| 8 |
UM04-001-003 |
Шайба-гровер D5 |
|
92 р. |
|
| 9 |
U503-181-009 |
Кольцо пылезащитное |
|
189 р. |
|
| 10 |
U503-181-010 |
Крышка корпуса редуктора |
|
577 р. |
|
| 11 |
U009-620-200 |
Подшипник шариковый 6202 открытый (35х15х11) n/n |
|
366 р. |
|
| 12 |
U253-235-013 |
Фиксатор подшипника шпинделя D42xh2,2 |
|
92 р. |
|
| 13 |
UM04-001-002 |
Шайба-гровер D4 |
|
92 р. |
|
| 13 |
U503-211-015 |
Шестерня ведомая D65 Z41 U503-211-015 для УШМ-П180-2100 ПВ, УШМ-230-2205 П |
|
577 р. |
|
| 14 |
UM01-000-018 |
Винт M4x14 РН2 |
|
92 р. |
|
| 17 |
U503-140-023 |
Пружина стопора D9xh13 U503-140-023 для болгарок УШМ-115-800 М3, УШМ-125-950 М3 |
|
92 р. |
|
| 18 |
U503-181-018-2 |
Корпус редуктора U503-181-018-2 для УШМ-П180-2100 ПВ, ЗУШМ-230-2100П_z01 |
|
902 р. |
|
| 18 |
N000-019-904 |
Кольцо стопорное D5 |
|
– |
|
| 19 |
N000-027-415 |
Корпус редуктора |
|
945 р. |
|
| 19 |
U503-181-018 |
Корпус редуктора |
|
868 р. |
|
| 22 |
U503-211-025 |
Шестерня ведущая D19.4x14 U503-211-025 для AGS-230-2200 S, ЗУШМ-230-2100П_z01 |
|
383 р. |
|
| 22-1 |
U503-181-021 |
Кнопка стопора 25х26х11 |
|
94 р. |
|
| 22-2 |
U503-140-022 |
Штифт блокировки вала |
|
112 р. |
|
| 24 |
UM05-001-008 |
Гайка М8 автогровер |
|
11 р. |
|
| 25 |
N000-027-414 |
Шестерня ведущая (V2) D19.4x14 Z12 |
|
507 р. |
|
| 27 |
U503-211-028 |
Ротор КД U503-211-028 для ЗШ-П45-2100 ПВТК, ЗУШМ-230-2100П_z01 |
|
3.420 р. |
|
| 27 |
UM06-002-002 |
Кольцо стопорное сжимное D34 |
|
28 р. |
|
| 29 |
U503-181-030 |
Кольцо пылезащитное D29 |
|
114 р. |
|
| 31 |
U253-235-032 |
Втулка подшипника 629 резиноваяD30x9 |
|
133 р. |
|
| 33 |
U503-181-034 |
Диффузор D87.5х51 |
|
85 р. |
|
| 34 |
U503-211-034-2 |
Статор КД |
|
2.527 р. |
|
| 36 |
U503-181-037 |
Накладка резиновая |
|
– |
|
| 37 |
U503-181-038 |
Корпус двигателя |
|
1.548 р. |
|
| 38 |
U503-181-045-W |
Щетка графитовая (пара) 7х12х19 U503-181-045-W для ЗУШМ-180-1800П_z01, ЗШ-П45-2100 ПВТК |
|
428 р. |
|
| 40 |
U503-181-041 |
Щеткодержатель c пружиной |
|
334 р. |
|
| 40 |
V000-004-294 |
Блок плавного 250V~ 50Hz V000-004-294 для ЗИЭ-40-2500, ЗУШМ-180-1800П_z01 |
|
477 р. |
|
| 41 |
U503-181-042 |
Клемма |
|
92 р. |
|
| 42 |
UM02-000-018 |
Саморез 4x12 PH2 |
|
92 р. |
|
| 43 |
U503-181-044 |
Крышка щеткодержателя |
|
46 р. |
|
| 46 |
U503-181-047 |
Шайба пластиковая |
|
189 р. |
|
| 47 |
U503-181-048 |
Вставка амортизационная |
|
674 р. |
|
| 49 |
U503-181-050 |
Конденсатор 0,47 M х2 40/085/21C 275V~ |
|
– |
|
| 50 |
U503-181-051 |
Кнопка фиксатора |
|
286 р. |
|
| 51 |
U503-181-052 |
Пружина |
|
189 р. |
|
| 52 |
V000-003-265 |
Выключатель S230B 12(12)A 250V ~ 5E4 |
|
499 р. |
|
| 53 |
U503-181-054 |
Ручка правая часть |
|
1.548 р. |
|
| 54 |
UM02-000-027 |
Саморез 4x18 PH2 |
|
92 р. |
|
| 55 |
U503-181-056 |
Прижим шнура |
|
– |
|
| 56 |
U098-004-025 |
Воротник шнура |
|
92 р. |
|
| 57 |
U503-181-058 |
Ручка левая часть |
|
1.548 р. |
|
| 58 |
U099-004-008-3 |
Шнур сетевой Rubber 2x1,5mm2 3m |
|
383 р. |
|
| 60 |
U503-210-019 |
Ручка боковая дополнительная |
|
286 р. |
|